|
QNZ1-80QW直流接触器额定负载电流(A):80 额定负载电压(VDC):144 额定绝缘电压(VDC): 300 线圈控制电压(V):DC12/24/48/60/72/80/96/144 线圈工作能耗(W):<7.2 线圈接线方式: 插接式 电寿命(次): 1×104 机械寿命(次): 30×104 安装方式: 直板/弯板 辅助触头: 无
一、用途产品主要使用于工程机械、电动叉车、电动绞盘、电动车辆等直流电源系统的电源通断控制。 产品符合标准:IEC/EN 60947-4-1,GB/T 14048.4。 产品通过认证:RoHS。 二、型号及含义
三、产品特点▲超低功耗技术的线圈,具有高效节能和防浪涌功能,线圈本体不发热; ▲密封结构设计,防护等级IP65,防尘防水性能强; ▲稀土强磁灭弧,电寿命长,抗熔焊性能强,安全可靠; ▲符合欧盟RoHS环保指令,符合国家节能环保要求。 四、工作条件和安装条件▲环境温度:-40~+85℃; ▲环境湿度:相对湿度为最大85%; ▲安装地点海拔高度超过2000米时,每升高1000米降容5%使用,最高不超过5000米; ▲固定处的正弦扫频振动频率:10~500Hz(频率10Hz~50Hz、振幅2.5mm,50Hz~200Hz、振幅0.16mm,200Hz~500Hz、加速度50m/s^2); ▲污染等级:污染等级3; ▲安装方向:水平或垂直; ▲安装方式:螺钉安装; ▲适用工作制:不间断工作制、断续周期工作制。 五、技术参数本系列产品符合标准:IEC/EN 60947-4-1,GB/T 14048.4
六、外形尺寸与安装尺寸(常开机型与常闭机型尺寸一样)
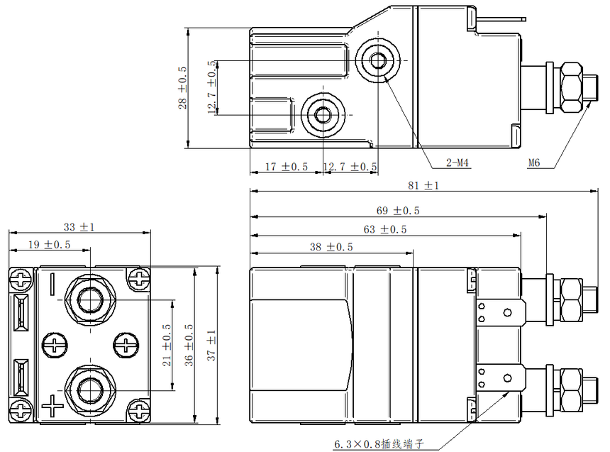
QNZ1-80QW外形尺寸与安装尺寸
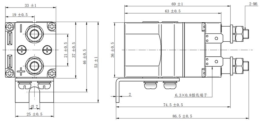
QNZ1-80Q+L W外形尺寸与安装尺寸
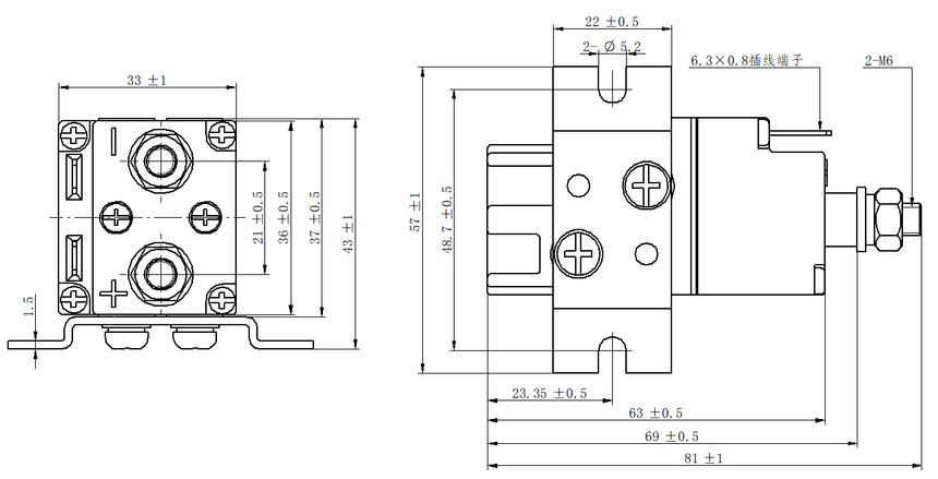
QNZ1-80Q+C W外形尺寸与安装尺寸 七、接线图(正负极不得接反)
QNZ1-QW QNZ1-QB W 八、订货须知订货时需注明: ■接触器的型号及名称; ■线圈电压; ■订购数量; ■特殊要求;
例如:QNZ1-80Q DC24V W 100台; 100台微功耗直流接触器,主触点一常开,电流80A,线圈电压DC24V。 九、使用注意事项◆产品线圈有极性(A1为正极,A2为负极);主电路带磁吹有极性(L1为正极,L2为负极),不带磁吹无极性;正负极不得接反,如果正负极接反会影响带载分断寿命。 ◆节能线圈在工作初始具有较大的启动电流,持续时间根据产品本身特性不同在100~120ms之间,因此,接触器的驱动功率必须大于产品线圈功率,且动作频率不得高于额定值,否则会影响直流接触器的正常启动,甚至烧毁节能模块而导致接触器无法工作。 ◆产品内置线圈节能模块,无需增加PWM等节能模块;如继续采用PWM脉冲信号输出控制接触器的线圈,需务必将PWM的输出电压调到100%,否则会影响我司接触器的可靠工作;建议采用阶跃式供电模式。 ◆当在电源引出端使用超过1个连接线时,确保主要的电源线最贴近接触器的主电路连接处,小电流的连接线在最上面,然后是垫圈、弹垫、螺母。不正确的连接顺序或虚接可能造成严重的过热,并导致连接电缆的绝缘层融化。
◆主触头导线或铜排截面积(见下表)。
◆禁止产品安装锁紧螺钉后强力掰动导线或铜排,防止对接触器造成伤害,影响其正常使用! |
||||||||||||||||||||||||||||||||||||||||||||||||||||||||||||||||||||||||||||||||||||||||||||||||||||||||||||||||||||||||||||||||||||||||








