|
QNZ1-500QR自带电阻微功耗型直流接触器(可带辅助触头)额定负载电流(A):500 额定负载电压(VDC):60 额定绝缘电压(VDC): 1500 线圈控制电压(V):DC24/48 线圈工作能耗(W):0.5 线圈接线方式: 接线钉 / 外引线 电寿命(次): 1×104 机械寿命(次): 20×104 安装方式: 直板/弯板 辅助触头: 可选(11/20/02)
一、用途QNZ1-QR系列自带电阻微功耗型直流接触器用于变频器、软启动器及高频加热电源或其他类似DC-20负载中,作为旁路隔离开关;还可以用于DC-1负载的工作电压60V及以下电路中。 产品符合标准:IEC/EN 60947-4-1,GB/T 14048.4。 产品通过认证:CCC、CE、TUV、UL、RoHS。 二、型号及含义
三、产品特点▲自带缓冲电阻结构,避免安装额外的充电电阻,空间体积基本不变,节约客户使用成本; ▲微功耗技术的线圈,具有高效节能和防浪涌功能,线圈本体不发热; ▲抗冲击振动性能强,触头压力大,银合金触头,接触可靠,触头温升低,过载性能强; ▲稀土强磁灭弧,电寿命长,抗熔焊性能强,安全可靠; ▲高绝缘性能,工频耐压3500V; ▲符合欧盟RoHS环保指令,符合国家节能环保要求; ▲线圈接线提供2种方式选择,固定接线螺钉方式和软引线方式。(600-1200QR机型仅有引线)。 四、工作条件和安装条件▲环境温度:-40~+85℃; ▲环境湿度:相对湿度为最大85%。 ▲安装地点海拔高度超过2000米时,每升高1000米降容5%使用,最高不超过5000米; ▲固定处的正弦扫频振动频率:10~500Hz(频率10Hz~50Hz、振幅2.5mm,50Hz~200Hz、振幅0.16mm,200Hz~500Hz、加速度50m/s^2); ▲污染等级:污染等级3; ▲安装方向:水平或垂直; ▲安装方式:螺钉安装; ▲适用工作制:不间断工作制、断续周期工作制。 五、技术参数本系列产品符合标准:IEC/EN 60947-4-1,GB/T 14048.4。
附表:线圈参数
QNZ-QR过载电流与时间曲线:
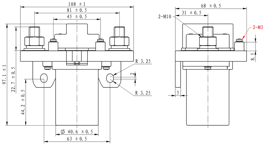
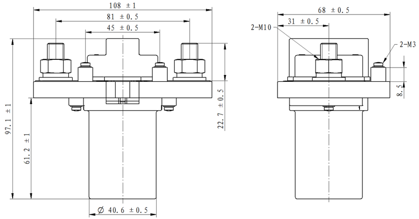
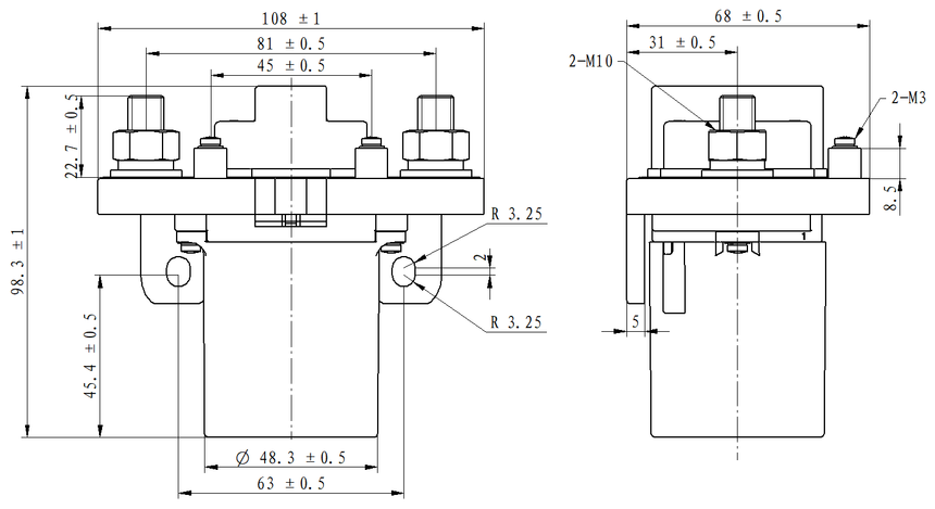
六、外形尺寸与安装尺寸(常开机型与常闭机型尺寸一样)
500QR弯板接线钉 500QR弯板引线 500QR直板接线钉 500QR直板引线
500QR无板接线钉 500QR无板引线 500QRR弯板接线钉 500QRR弯板引线
500QRR直板接线钉 500QRR直板引线 500QRR无板接线钉 500QRR无板引线
500QFR弯板接线钉 500QFR弯板引线 500QFR直板接线钉 500QFR直板引线
500QFR无板接线钉 500QFR无板引线 500QFRR弯板接线钉 500QFRR弯板引线
500QFRR直板接线钉 500QFRR直板引线 500QFRR无板接线钉 500QFRR无板引线
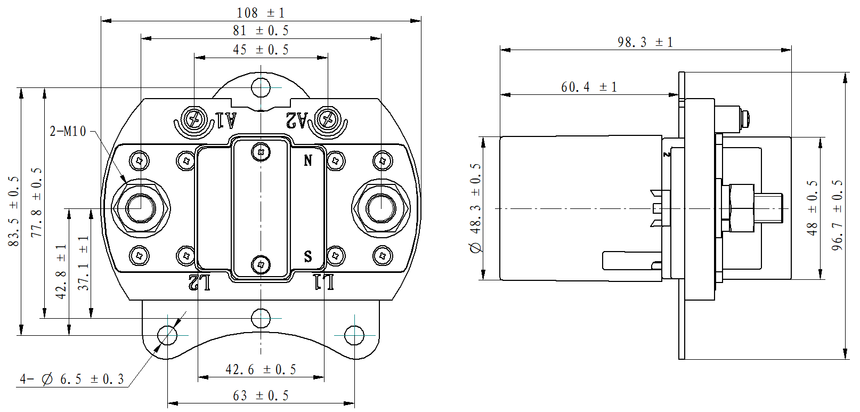
QNZ1-500QR弯板外形尺寸与安装尺寸
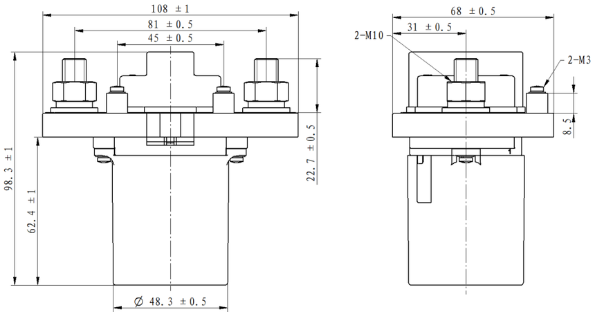
QNZ1-500QR直板外形尺寸与安装尺寸
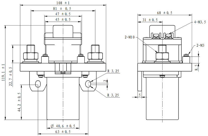
QNZ1-500QR无板外形尺寸与安装尺寸
QNZ1-500QRR弯板外形尺寸与安装尺寸
QNZ1-500QRR直板外形尺寸与安装尺寸
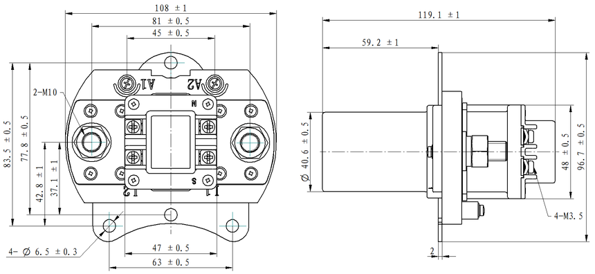
QNZ1-500QRR无板外形尺寸与安装尺寸
QNZ1-500QFR弯板外形尺寸与安装尺寸
QNZ1-500QFR直板外形尺寸与安装尺寸
QNZ1-500QFR无板外形尺寸与安装尺寸
QNZ1-500QFRR弯板外形尺寸与安装尺寸
QNZ1-500QFRR直板外形尺寸与安装尺寸
QNZ1-500QFRR无板外形尺寸与安装尺寸 七、接线图(正负极不得接反)
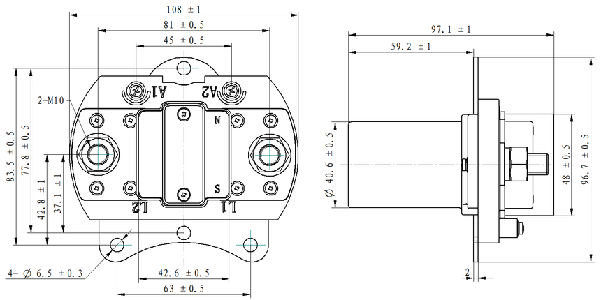
QNZ1-QR QNZ1-QRR 八、订货须知订货时需注明: ■接触器的型号及名称; ■线圈电压; ■主回路电压; ■订购数量; ■特殊要求
例如:QNZ1-200QRR DC24V 弯板引线 100台; 100台自带缓冲电阻的微功耗型直流接触器,电流200A,带电阻,带安装弯板,带引线,线圈电压DC24V。 QNZ1-400QR DC48V 直板接线柱 100台; 100台微功耗型直流接触器,无电阻,带安装直板,带接线柱,电流400A,线圈电压DC48V。 QNZ1-600QXR DC48V 无板接线柱 100台; 100台微功耗型直流接触器,X型,无电阻,无安装板,带接线柱,电流600A,线圈电压DC48V。 九、使用注意事项警告: ◆产品线圈有极性,接反接触器将不动作;主电路带磁吹有极性(L1为正极,L2为负极),不带磁吹无极性;正负极不得接反,如果正负极接反会影响带载分断寿命。 ◆节能线圈在工作初始具有较大的启动电流,持续时间根据产品本身特性不同在100~120ms之间,因此,接触器的驱动功率必须大于产品线圈功率,且动作频率不得高于额定值,否则会影响直流接触器的正常启动,甚至烧毁节能模块而导致接触器无法工作。 ◆产品内置线圈节能模块,无需增加PWM等节能模块;如继续采用PWM脉冲信号输出控制接触器的线圈,需务必将PWM的输出电压调到100%,否则会影响我司接触器的可靠工作;建议采用阶跃式供电模式。 ◆当在电源引出端使用超过1个连接线时,确保主要的电源线最贴近接触器的主电路连接处,小电流的连接线在最上面,然后是垫圈、弹垫、螺母。不正确的连接顺序或虚接可能造成严重的过热,并导致连接电缆的绝缘层融化。
◆接触器使用的螺钉、螺栓扭力矩请控制在下述的规定范围内。
◆主触头导线或铜排截面积。
◆禁止产品安装锁紧螺钉后强力掰动导线或铜排,防止对接触器造成伤害,影响其正常使用! |
|||||||||||||||||||||||||||||||||||||||||||||||||||||||||||||||||||||||||||||||||||||||||||||||||||||||||||||||||||||||||||||||||||||||||||||||||||||||||||||||||||||||||||||||||||||||||||||||||||||||||||||||||||||||||||||||||||||||||||||||||||||||||||||||||||||||







































