|
QNZ-400A直流接触器额定负载电流(A):400 额定负载电压(VDC):48 额定绝缘电压(VDC): 1500 线圈控制电压(V):DC12/24/48/72/144 线圈工作能耗(W):7.6~9.2(DC24V)、7.5~10(DC48V) 线圈接线方式: 接线钉/外引线 电寿命(次): 1×104 机械寿命(次): 10×104 安装方式: 直板/弯板 辅助触头: 无
一、用途 QNZ-A系列直流接触器适用于变频器及软启动器或其他类似DC-20负载中,作为旁路隔离开关。 产品符合标准:IEC/EN 60947-4-1,GB/T 14048.4 产品通过认证:CCC、CE、TUV、UL、RoHS 二、型号及含义 Q N Z – □ A □ 1 2 3 4 5
三、产品特点 ▲体积小、重量轻、低功耗、高可靠性; ▲高绝缘性能,工频耐压3500V; ▲线圈接线提供2种方式选择,固定接线螺钉方式和软引线方式; ▲银合金触头,接触可靠,触头温升低; ▲采用单线圈结构; ▲5倍过载能力(5Ie/10S); ▲接触器的触头、线圈、磁铁密封在壳体内,使灰尘不能进入,可在恶劣环境下使用; ▲符合欧盟RoHS环保指令,符合国家节能环保要求。 四、工作条件和安装条件 ▲环境温度:-40~+85℃; ▲环境湿度:相对湿度为最大85%。 ▲安装地点海拔高度超过2000米时,每升高1000米降容5%使用,最高不超过5000米; ▲固定处的正弦扫频振动频率:5~150Hz(频率5~20Hz,振幅25/f;频率20~150Hz,振幅250/f²); ▲冲击加速度:30m/s²; ▲污染等级:污染等级3; ▲安装方向:水平或垂直; ▲安装方式:螺钉安装; ▲适用工作制:不间断工作制、断续周期工作制。 五、技术参数 本系列产品符合标准:IEC/EN 60947-4-1,GB/T 14048.4。
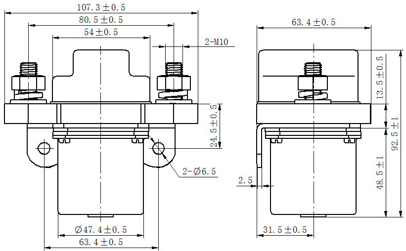
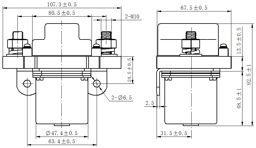
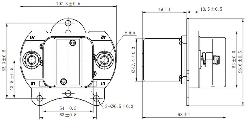
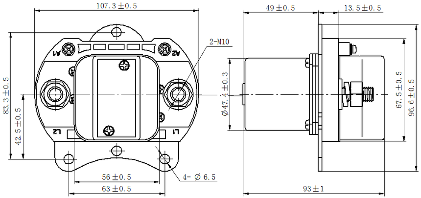
六、外形尺寸与安装尺寸
QNZ-400A弯板引线
QNZ-400A弯板接线柱
QNZ-400A直板引线
QNZ-400A直板接线柱 七、接线图(正负极不得接反)
QNZ-A系列(不带磁吹) QNZ-A系列(带磁吹) 八、订货须知 订货时需注明: n 接触器的型号及名称 n 线圈电压 n 订购数量 n 特殊要求 Q N Z – □ A □ 1 2 3 4 5
例如: QNZ-200A DC24V弯板接线钉 100台 100台直流接触器,主触点一常开,电流200A,安装弯板,接线钉,线圈电压DC24V。 QNZ-400A DC48V直板引线500mm 100台 100台直流接触器,主触点一常开,电流400A,安装直板,500mm引线,线圈电压DC48V。 九、使用注意事项 ◆ 产品线圈无极性;主电路带磁吹有极性(L1为正极,L2为负极),不带磁吹无极性;正负极不得接反,如果正负极接反会影响带载分断寿命。 当在电源引出端使用超过1个连接线时,确保主要的电源线最贴近接触器的主电路连接处,小电流的连接线在最上面,然后是垫圈、弹垫、螺母。不正确的连接顺序或虚接可能造成严重的过热,并导致连接电缆的绝缘层融化。
◆ 接触器使用的螺钉、螺栓扭力矩请控制在下述的规定范围内(见下表)。
◆ 主触头导线或铜排截面积(见下表)。
◆ 禁止产品安装锁紧螺钉后强力掰动导线或铜排,防止对接触器造成伤害,影响其正常使用! |
||||||||||||||||||||||||||||||||||||||||||||||||||||||||||||||||||||||||||||||||||||||||||||||||||||||||||||||||||||||||||||||||||









