|
QNZ1-500C无功耗磁保持直流接触器(可带辅助触头)额定负载电压(VDC):120 额定负载电流(A):500 额定绝缘电压(VDC): 1500 线圈控制电压(V):DC12/24/48/60 线圈工作能耗(W):0 防护等级: IP67 电寿命(次): 1×104 机械寿命(次): 20×104 安装方式: 弯板/直板 辅助触头: 可选(11/20/02)
一、用途QNZ1-C系列无功耗磁保持直流接触器适用于DC-1负载的工作电压200V及以下电路中;还可以用于变频器、软启动器、高频加热电源或其他类似DC-20负载中,作为旁路隔离开关。 产品符合标准:IEC/EN 60947-4-1,GB/T 14048.4。 产品通过认证:RoHS。 二、型号及含义
三、产品特点▲无功耗双稳态磁保持节能线圈,线圈本体不发热; ▲抗冲击振动性能强,触头压力大,银合金触头,接触可靠,触头温升低,过载性能强; ▲稀土强磁灭弧,电寿命长,抗熔焊性能强,安全可靠; ▲高绝缘性能,工频耐压3500V; ▲符合欧盟RoHS环保指令,符合国家节能环保要求; ▲线圈接线提供2种方式选择,固定接线螺钉方式和软引线方式(600-800C机型仅有引线)。 四、工作条件和安装条件▲环境温度:-40~+85℃; ▲环境湿度:相对湿度为最大85%; ▲安装地点海拔高度超过2000米时,每升高1000米降容5%使用,最高不超过5000米; ▲固定处的正弦扫频振动频率:10~500Hz(频率10Hz~50Hz、振幅2.5mm,50Hz~200Hz、振幅0.16mm,200Hz~500Hz、加速度50m/s^2); ▲冲击加速度:300m/s^2; ▲污染等级:污染等级3; ▲安装方向:水平或垂直; ▲安装方式:螺钉安装; ▲适用工作制:不间断工作制、断续周期工作制。 五、技术参数本系列产品符合标准:IEC/EN 60947-4-1,GB/T 14048.4。
QNZ1-C过载电流与时间曲线:
六、外形尺寸与安装尺寸(常开机型与常闭机型尺寸一样)
500C 500C 500C+F 500C+F 弯板接线柱 弯板引线 弯板接线柱 弯板引线
500C 500C 500C+F 500C+F 无板接线柱 无板引线 无板接线柱 无板引线
500C 500C 500C+F 500C+F 直板接线柱 直板引线 直板接线柱 直板引线
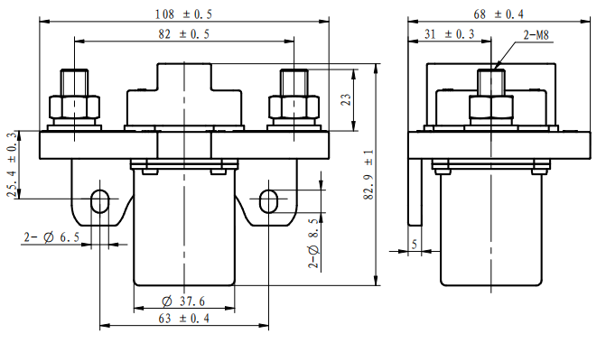
QNZ1-500C(弯板接线柱)外形尺寸与安装尺寸
QNZ1-500C(弯板引线)外形尺寸与安装尺寸
QNZ1-500C(无板接线柱)外形尺寸与安装尺寸
QNZ1-500C(无板引线)外形尺寸与安装尺寸
QNZ1-500C(直板接线柱)外形尺寸与安装尺寸
QNZ1-500C(直板引线)外形尺寸与安装尺寸
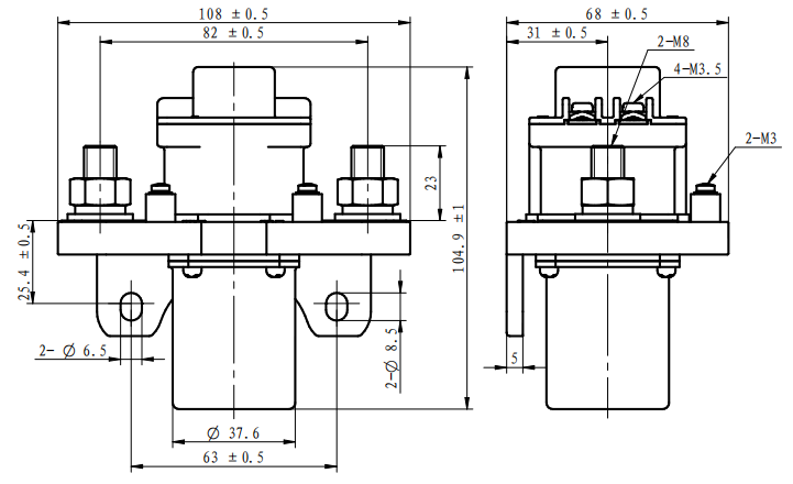
QNZ1-500C+F(弯板接线柱)外形尺寸与安装尺寸
QNZ1-500C+F(弯板引线)外形尺寸与安装尺寸
QNZ1-500C+F(无板接线柱)外形尺寸与安装尺寸
QNZ1-500C+F(无板引线)外形尺寸与安装尺寸
QNZ1-500C+F(直板接线柱)外形尺寸与安装尺寸
QNZ1-500C+F(直板引线)外形尺寸与安装尺寸 七、接线图(正负极不得接反)
QNZ1-C QNZ1-C+F11
QNZ1-C+F20 QNZ1-C+F02
QNZ1-CB QNZ1-CB+F11 QNZ1-CB+F20 QNZ1-CB+F02
八、订货须知订货时需注明: ■接触器的型号及名称; ■线圈电压; ■订购数量; ■特殊要求;
例如:QNZ1-200C DC24V 弯板接线柱 100台; 100台磁保持直流接触器,磁保持线圈,主触点一常开,电流200A,弯板接线柱,线圈电压DC24V。 QNZ1-200CB DC48V 无板引线500mm 100台; 100台磁保持直流接触器,磁保持线圈,主触点一常闭,电流200A,无板引线500mm,线圈电压DC48V。 九、使用注意事项◆产品线圈有极性(A1为正极,A2为负极);主电路带磁吹有极性(L1为正极,L2为负极),不带磁吹无极性;正负极不得接反,如果正负极接反会影响带载分断寿命。 ◆双稳态磁保持节能线圈在分合闸工作初始具有较大的启动电流,持续时间根据产品本身特性不同在50ms~120ms之间,因此,接触器的驱动功率必须大于产品线圈功率,且动作频率不得高于额定值,否则会影响直流接触器的正常启动,甚至烧毁线圈而导致接触器无法工作。 ◆磁保持直流接触器采用方波脉冲供电模式。磁保持线圈不允许长期通电;合闸:线圈A1或红线接电源正极,A2或黑线接电源负极;分闸:线圈A1或红线接电源负极,A2或黑线接电源正极。 ◆当在电源引出端使用超过1个连接线时,确保主要的电源线最贴近接触器的主电路连接处,小电流的连接线在最上面,然后是垫圈、弹垫、螺母。不正确的连接顺序或虚接可能造成严重的过热,并导致连接电缆的绝缘层融化。
◆接触器使用的螺钉、螺栓扭力矩请控制在下述的规定范围内(见下表)。
◆主触头导线或铜排截面积(见下表)。
◆禁止产品安装锁紧螺钉后强力掰动导线或铜排,防止对接触器造成伤害,影响其正常使用! |
|||||||||||||||||||||||||||||||||||||||||||||||||||||||||||||||||||||||||||||||||||||||||||||||||||||||||||||||||||||||||||||||||||||||||||||||||||||||||||






























