文章
  • 文章
搜索

语言/language

首页 >> 产品展示 >>防晃电系列接触器 >>四极无弧交流接触器 >> QNC-330(B)04 44WH无弧交流接触器
详细说明

QNC-330(B)04 44WH无弧交流接触器

额定负载电压(VAC): 1140

额定负载电流(A) 330

额定绝缘电压 (V):  1500

线圈控制电压(V):  48、110、220、AC380V 50/60Hz 

             AC/DC220~380V(宽电压132~540V)  

             AC/DC48~127V(宽电压28~190V)

线圈工作能耗(W): ≤2

电寿命(次):    150×104

机械寿命 (次):  150×104

触头形式:      常开或者常闭(B为常闭型)

辅助触头:      四开四闭

  • 产品说明

一、用途

QNC-WH系列无弧交流接触器适用于交流50Hz(或60Hz),在AC-3使用类别下工作电压1500V及以下电路中,供远距离接通和分断电路及频繁起动控制交流电动机。

产品符合标准:IEC/EN 60947-4-1,GB/T 14048.4。

产品通过认证:RoHS。

二、型号及含义

QN C –    B  04  33    WH C

1  2   3   4   5   6  7   8  9

序号

序号说明

1

企业代号,QN代表南京全宁电器有限公司

2

C:交流接触器

3

基本规格代号,额定电流Ie值的数字表示

4

默认无表示常开主触头,B表示常闭主触头

5

03表示三极接触器,默认不标识;04表示四极接触器;08表示两开两闭接触器

6

33表示三开三闭辅助触头;44表示四开四闭辅助触头;

7

线圈电压Us

8

WH表示主触头无弧接通分断

9

C表示船用产品

 

三、产品特点

▲主触头无电弧接通分断技术,电寿命长,抗熔焊性能强,安全可靠;

▲微功耗技术的直流线圈,具有高效节能和防浪涌功能,线圈本体不发热;

▲抗冲击振动性能强,触头压力大,银合金触头,接触可靠,触头温升低,过载性能强;

▲线圈采用交直流一体化设计方案,避免AC/DC转换,节约客户使用成本;

▲高绝缘性能,工频耐压3500V;

▲符合欧盟RoHS环保指令,符合国家节能环保要求。

四、工作条件和安装条件

▲环境温度:-40~+85℃;

▲环境湿度:相对湿度为最大85%。

▲安装地点海拔高度超过2000米时,每升高1000米降容5%使用,最高不超过5000米;

▲固定处的正弦扫频振动频率:10~500Hz(频率10Hz~50Hz、振幅2.5mm,50Hz~200Hz、振幅0.16mm,200Hz~500Hz、加速度50m/s^2);

▲冲击加速度:300m/s^2;

▲污染等级:污染等级3;

▲安装方向:水平或垂直;

▲安装方式:螺钉安装;

▲适用工作制:不间断工作制、断续周期工作制。

五、技术参数

本系列产品符合标准:IEC/EN 60947-4-1,GB/T 14048.4。

  规   格

参   数

QNC-330WH

触头数量

4P(常开或常闭)+44(四开四闭)

额定绝缘电压Ui(V)

1500

额定工作电压Ue(VAC)

1140

额定工作电流Ie(A)AC-3

330

触头压降Ud(mV)

≤95

极阻抗Z(mΩ)

≤0.4

可接通最小负载

24V  200mA

辅助触头参数

Ith:10A;AC-15:Ue/Ie:380V/0.95A;

DC-13:Ue/Ie:220V/0.15A。

控制线圈

线圈电压Us(VDC/VAC)

24、48、110、220、AC380V 50/60Hz

AC/DC220~380V(宽电压132~540V)

AC/DC48~127V(宽电压28~190V)

吸合电压(VDC/VAC)

0.85Us~1.10Us

释放电压(VDC/VAC)

0.10Us~0.75Us

吸合电流(A)

3~6.7,详细见附表

保持电流(A)

0.0052~0.0832,详细见附表

吸合功率(W)

120~1520,详细见附表

保持功率(W)

≤2,详细见附表

电寿命

AC-3,Ue,Ie(万次)

150

操作频率(次/h)

300(1次/12秒,通电与断电时间间隔不少于0.5s)

机械寿命(万次)

150

过载性能(A)

1.5Ie/30min;3Ie/1min;5Ie/10s;8Ie/1s;其它数据详见过载曲线图

动作

时间

吸合时间(ms)

150~300

释放时间(ms)

10~50

主触头导线或铜排截面积(mm2

185

主触头接线拧紧力矩(N.m)

M8螺栓:6.0~9.0

绝缘电阻(MΩ)

≥300(500VDC)

介质

耐压

线圈触点间

工频AC3500V/1Min 无击穿或闪络现象,且泄漏电流≤5mA

开路触点间

工频AC3500V/1Min 无击穿或闪络现象,且泄漏电流≤5mA

温升

线圈(Us下)

15K

接线端子(Ie下)

65K

外壳

60K

漆包线

耐温

180

绝缘等级

H

耐压(漆层对地)

工频AC1000V/1Min无击穿或闪络现象,且泄漏电流≤5mA

重量(kg

四极接触器约2.6

附表:

四极接触器线圈参数:

线圈电压(VAC/VDC)

阻容吸收脉冲电流(A)

吸合电流(A)

保持电流(A)

吸合功耗(W)

保持功耗(W)

24

≤10

≤6.7

≤0.0832

≤160

≤2

48

≤10

≤6.7

≤0.0416

≤320

≤2

110

≤6

≤6

≤0.0180

≤660

≤2

220

≤4

≤4

≤0.0088

≤880

≤2

AC380V

≤4

≤4

≤0.0052

≤1520

≤2

 QNC-WH过载电流与时间曲线:

1760698675956907.png

       

        

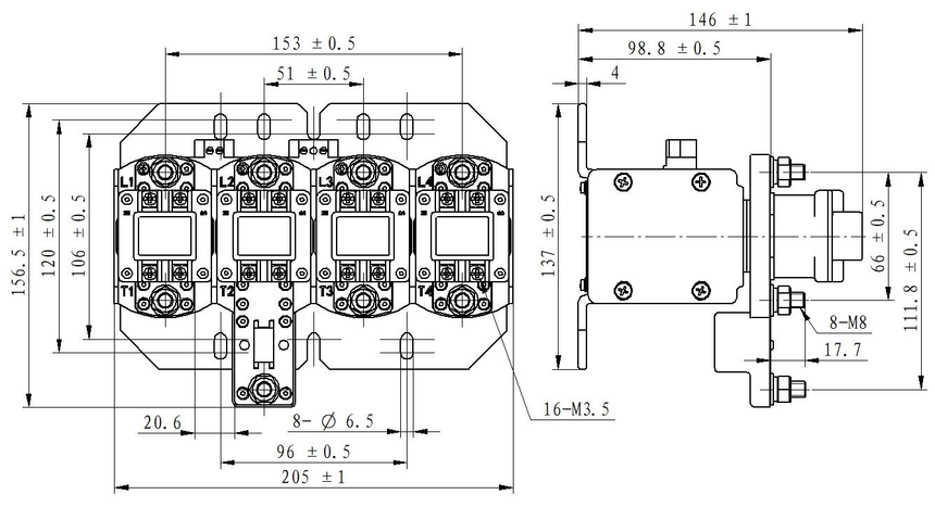
六、外形尺寸与安装尺寸(主触头常开与常闭机型尺寸一样)


1760668855867073.png1760666952983713.png


QNC-330(B)0444 WH外形尺寸与安装尺寸 



七、接线图

1760667435894582.png

            QNC-0444 WH

1760667530609391.png

           QNC-B0444 WH

            

八、订货须知

订货时需注明:

接触器的型号及名称

线圈电压

订购数量

特殊要求

image.png

序号

序号说明

1

企业代号,QN代表南京全宁电器有限公司

2

C:交流接触器

3

基本规格代号,额定电流Ie值的数字表示

4

默认无表示常开主触头,B表示常闭主触头

5

03表示三极接触器,默认不标识;04表示四极接触器;08表示两开两闭接触器

6

33表示三开三闭辅助触头;44表示四开四闭辅助触头;

7

线圈电压Us

8

WH表示主触头无弧接通分断

9

C表示船用产品

例如:QNC-40033 AC220V WH 100台

100台三极无弧交流接触器,主触点三常开,电流400A,辅助触头三开三闭,线圈电压AC220V。

QNC-10000444  AC220V WH 100台

100台四极无弧交流接触器,主触点四常开,电流1000A,辅助触头四开四闭,线圈电压AC220V。

九、使用注意事项

◆ 如果产品线圈输入端为直流电压,那么线圈有极性(A1为正极,A2为负极)。

◆ 节能线圈在工作初始具有较大的启动电流,持续时间根据产品本身特性不同在100~120ms之间,因此,接触器的驱动功率必须大于产品线圈功率,且动作频率不得高于额定值,否则会影响直流接触器的正常启动,甚至烧毁节能模块而导致接触器无法工作。

◆ 产品内置线圈节能模块,无需增加PWM等节能模块;如继续采用PWM脉冲信号输出控制接触器的线圈,需务必将PWM的输出电压调到100%,否则会影响我司接触器的可靠工作;建议采用阶跃式供电模式。

◆ 当在电源引出端使用超过1个连接线时,确保主要的电源线最贴近接触器的主电路连接处,小电流的连接线在最上面,然后是垫圈、弹垫、螺母。不正确的连接顺序或虚接可能造成严重的过热,并导致连接电缆的绝缘层融化。

1760668008502641.png

◆ 接触器互感器引出端客户搭接铜板请控制在下述的规定范围内(见下表)。

机型

客户搭接铜板上限值A(mm)

QNC-15033 WH、QNC-26533 WH、QNC-33033 WH、QNC-40033 WH

18

QNC-50033 WH、QNC-63033 WH

18

QNC-80033 WH、QNC-100033 WH、QNC-125033 WH

18

QNC-165033 WH、QNC-200033 WH、QNC-350033 WH、QNC-505330 WH

20

1760668106411044.png


   ◆接触器通讯功能介绍:QNC-WH无弧接触器是一款集成了远程控制、状态监测和智能联动的电气控制设备,支持通过有线或无线通讯协议与物联网平台、本地服务器或移动终端交互,实现电气负载的智能化管理。

   有线协议 RS-485 (Modbus RTU)。

   远程控制:可通过MQTT/HTTP API发送指令控制接触器延时,通断功能。

   状态上报:实时上传参数(电压、电流、温度、开关状态)至云端,默认间隔5秒(可定制)。

   设置参数:实时设置过流、过压、延时、工作模式等参数(可定制)。

1760880137565518.png


   ◆接触器使用的螺钉、螺栓扭力矩请控制在下述的规定范围内(见下表)。

M3螺钉:0.5~0.8N.m

M3.5螺钉:0.8~1.2N.m

M4螺钉:1.2~1.8N.m

M5螺钉:2.0~3.0N.m

M6螺栓:3.0~4.5N.m

M8螺栓:6.0~9.0N.m

M10螺栓:10.0~15.0N.m

M12螺栓:14.0~21.0N.m


   ◆主触头导线或铜排截面积(见下表)。

150安培:50mm2

265安培:150mm2

330安培:185mm2

400安培:240mm2

500安培:300mm2

630安培:400mm2

800安培:500mm2

1000安培:600mm2

1250安培:800mm2

1650安培:1500mm2

2000安培:1500mm2

3500安培:3500mm2

5050安培:5050mm2



   ◆禁止产品安装锁紧螺钉后强力掰动导线或铜排,防止对接触器造成伤!


本站已支持IPv6
×
seo seo