|
QNC1-18H/K/J小型接触器额定负载电流AC-3: 18A(380V)/11A(660V) 额定负载电压(VAC): 380/660 额定绝缘电压(VAC): 690 线圈控制电压AC/DC(V): 24/48/110/220 线圈工作能耗(W): 电磁型:≤7.5 / 节能型:≤3 电寿命AC-3(次): 15×104 机械寿命(次): 100×104 安装方式: 卡轨/焊接 触点形式: 3P+1NO、3P+1NC、4P、2P+2R
一、用途 QNC1系列小型接触器适用于交流50Hz或(60Hz)额定绝缘电压690V,在AC-3使用类别下额定工作电压至380V时额定工作电流9~18A的电路中,供远距离接通、分断电路及频繁起动、控制交流电动机、电磁线圈等用途,广泛应用于电梯控制系统、工业控制、能源基础设施,接触器与适当的热过载接触器组合,可保护可能发生过负荷的电路。 节能型产品功耗低、节能效果明显,适合用于家电行业。 产品设计符合标准:IEC/EN60947-4-1,GB/T 14048.1,GB/T 14048.4。 产品通过的认证:CCC认证。 二、型号及含义
三、结构特点 ▲小型接触器动作性能稳定、可靠性高; ▲动作机构为直动式,触头为双断点,与横动式结构相比,性能更可靠; ▲普通型和磁保持型具有两种安装方式,K型:即用螺钉或卡轨安装,H型:插在线路板上焊装; ■磁系统特点 磁系统按使用功能分为三种模式: ▲普通电磁型:即线圈为电磁线圈,线圈电压分为交流和直流; ▲磁保持型:线圈电压只有直流,即给线圈一个正向(A1+)电压吸合,动铁芯吸上后电源马上断开,此时触头的接通由永久磁铁吸住保持吸合状态,需要断开时给线圈施加一个和初始吸合时极性相反(A1-)的电压,释放后由永久磁铁吸住保持释放状态,该产品在吸合状态下不耗电; ▲磁保持节能型(带线路板控制):线圈电压分为交流和直流,在磁保持结构的基础上增加线路板控制,当接触器吸合后线圈维持功耗≤4W,相比普通型产品功耗低、节能效果明显,在线圈通电或断电后动铁芯由永磁铁吸附在导磁体上,实现了低功耗保持的特点,接通或断开时由电子线路板驱动动铁芯动作,使触头接通或断开; ▲体积小、重量轻、低能耗、高可靠性; ▲产品制造材料均采用绿色环保材料,符合欧盟RoHS2.0环保指令; ▲产品在生产制造过程中不产生有毒或有害物质; ▲产品采用先进的生产工艺制造,智能检测设备100%出厂检测,确保产品质量。 四、工作条件及安装条件 ■正常工作条件 ▲周围空气温度-25℃~+60℃; ▲环境湿度:相对湿度为最大85%; ▲安装地点的海拔不超过3000m; ▲接触器安装地点的污染等级为3级; ■适用工作制 ▲电保持型:断续周期工作制; ▲磁保持型:不间断工作制; ▲节能型:断续周期工作制,不间断工作制; ■安装条件 ▲接触器的安装类别为Ⅲ类; ▲接触器的防护等级为IP20; ▲接触器的安装面与垂直面的倾斜度不大于±5°; ▲产品安装方向:垂直或水平安装; ▲产品安装方式:1.卡轨式:使用螺钉安装或35mm标准卡轨安装; 2.焊接式:焊接在线路板上; ■接线螺钉施加扭力矩。
五、技术参数
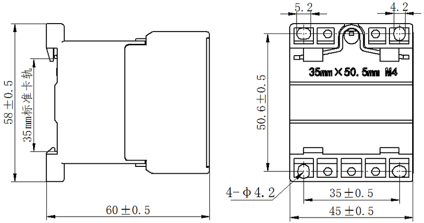
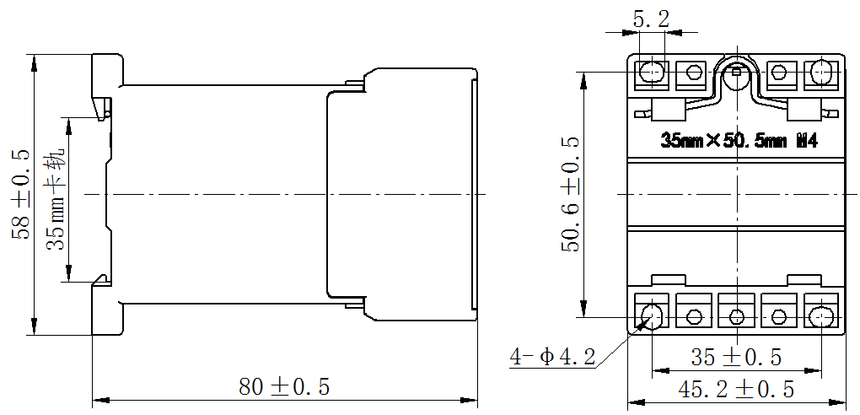
六、外形及安装尺寸
QNC1-18H线路板焊接型
QNC1-18K卡轨安装型
QNC1-18J节能型卡轨安装式 七、接线图
QNC1-□10 QNC1-□01 QNC1-□04 QNC1-□08 八、订货须知 ■接触器的全称、型号、控制线圈的电压及类别以及订货数量; ■接触器控制线圈的电压,除规定电压外,可根据用户要求特殊订货; ■订货时,应注明接触器的安装方式,如线路板焊装式、卡轨安装式; 例如:QNC1-1210K DC220V 10台; 表示为额工作定电流12A的接触器,主触头为三常开、辅助触头为一常开,线圈控制电压为直流220V,安装方式为卡轨式,订货数量为10台。 |
||||||||||||||||||||||||||||||||||||||||||||||||||||||||||||||||||||||||||||||||||||||||||||||||||||||||||||||||||







