|
QNC-1250(B)33 WH无弧交流接触器额定负载电压(VAC): 1140 额定负载电流(A): 1250 额定绝缘电压 (V): 1500 线圈控制电压(V): 48、110、220、AC380V 50/60Hz AC/DC220~380V(宽电压132~540V) AC/DC48~127V(宽电压28~190V) 线圈工作能耗(W): ≤2 电寿命(次): 50×104 机械寿命 (次): 50×104 触头形式: 常开或者常闭(B为常闭型) 辅助触头: 三开三闭
一、用途 QNC-WH系列无弧交流接触器适用于交流50Hz(或60Hz),在AC-3使用类别下工作电压1500V及以下电路中,供远距离接通和分断电路及频繁起动控制交流电动机。 产品符合标准:IEC/EN 60947-4-1,GB/T 14048.4。 产品通过认证:RoHS。 二、型号及含义 QN C – □ B 04 33 □ WH C 1 2 3 4 5 6 7 8 9
三、产品特点 ▲主触头无电弧接通分断技术,电寿命长,抗熔焊性能强,安全可靠; ▲微功耗技术的直流线圈,具有高效节能和防浪涌功能,线圈本体不发热; ▲抗冲击振动性能强,触头压力大,银合金触头,接触可靠,触头温升低,过载性能强; ▲线圈采用交直流一体化设计方案,避免AC/DC转换,节约客户使用成本; ▲高绝缘性能,工频耐压3500V; ▲符合欧盟RoHS环保指令,符合国家节能环保要求。 四、工作条件和安装条件 ▲环境温度:-40~+85℃; ▲环境湿度:相对湿度为最大85%。 ▲安装地点海拔高度超过2000米时,每升高1000米降容5%使用,最高不超过5000米; ▲固定处的正弦扫频振动频率:10~500Hz(频率10Hz~50Hz、振幅2.5mm,50Hz~200Hz、振幅0.16mm,200Hz~500Hz、加速度50m/s^2); ▲冲击加速度:300m/s^2; ▲污染等级:污染等级3; ▲安装方向:水平或垂直; ▲安装方式:螺钉安装; ▲适用工作制:不间断工作制、断续周期工作制。 五、技术参数 本系列产品符合标准:IEC/EN 60947-4-1,GB/T 14048.4。
附表: 三极接触器线圈参数:
QNC-WH过载电流与时间曲线:
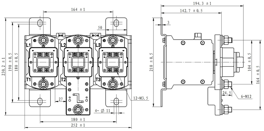
六、外形尺寸与安装尺寸(主触头常开与常闭机型尺寸一样)
QNC-1250(B)33 WH外形尺寸与安装尺寸 七、接线图
QNC-33 WH QNC-B33 WH
八、订货须知 订货时需注明: n 接触器的型号及名称 n 线圈电压 n 订购数量 特殊要求
例如:QNC-40033 AC220V WH 100台 100台三极无弧交流接触器,主触点三常开,电流400A,辅助触头三开三闭,线圈电压AC220V。 QNC-10000444 AC220V WH 100台 100台四极无弧交流接触器,主触点四常开,电流1000A,辅助触头四开四闭,线圈电压AC220V。 九、使用注意事项 ◆ 如果产品线圈输入端为直流电压,那么线圈有极性(A1为正极,A2为负极)。 ◆ 节能线圈在工作初始具有较大的启动电流,持续时间根据产品本身特性不同在100~120ms之间,因此,接触器的驱动功率必须大于产品线圈功率,且动作频率不得高于额定值,否则会影响直流接触器的正常启动,甚至烧毁节能模块而导致接触器无法工作。 ◆ 产品内置线圈节能模块,无需增加PWM等节能模块;如继续采用PWM脉冲信号输出控制接触器的线圈,需务必将PWM的输出电压调到100%,否则会影响我司接触器的可靠工作;建议采用阶跃式供电模式。 ◆ 当在电源引出端使用超过1个连接线时,确保主要的电源线最贴近接触器的主电路连接处,小电流的连接线在最上面,然后是垫圈、弹垫、螺母。不正确的连接顺序或虚接可能造成严重的过热,并导致连接电缆的绝缘层融化。
◆ 接触器互感器引出端客户搭接铜板请控制在下述的规定范围内(见下表)。
◆接触器通讯功能介绍:QNC-WH无弧接触器是一款集成了远程控制、状态监测和智能联动的电气控制设备,支持通过有线或无线通讯协议与物联网平台、本地服务器或移动终端交互,实现电气负载的智能化管理。 有线协议 RS-485 (Modbus RTU)。 远程控制:可通过MQTT/HTTP API发送指令控制接触器延时,通断功能。 状态上报:实时上传参数(电压、电流、温度、开关状态)至云端,默认间隔5秒(可定制)。 设置参数:实时设置过流、过压、延时、工作模式等参数(可定制)。
◆接触器使用的螺钉、螺栓扭力矩请控制在下述的规定范围内(见下表)。
◆主触头导线或铜排截面积(见下表)。
◆禁止产品安装锁紧螺钉后强力掰动导线或铜排,防止对接触器造成伤! |
||||||||||||||||||||||||||||||||||||||||||||||||||||||||||||||||||||||||||||||||||||||||||||||||||||||||||||||||||||||||||||||||||||||||||||||||||||||||||||||||||||||||||||||||||||||||||||||||||||||||||







