|
QNC(QNFX)-75封星接触器额定负载电流AC-3: 75A(380V) 46A(660V) 额定负载电压(VAC): 380/660 额定绝缘电压(VAC): 690 控制功率Pe AC-380(kW): 35 线圈控制电压AC/DC(V): 24/48/110/220 线圈工作能耗(W): ≤3 电寿命AC-3(次): 60×104 机械寿命(次): 500×104 安装方式: 卡轨/螺丝 辅助触头: 22/31 封星方式: 一体封星 脉冲信号: 内置脉冲信号模块
一、用途 QNC(QNFX)-18A~75A系列封星接触器适用于交流50Hz(或60Hz),额定绝缘电压为690V,额定工作电压至660V,在AC-3使用类别下额定工作电压为380V时,额定工作电流18A~75A的电路中,供远距离接通和分断电路之用。该产品主要用于电梯主回路控制系统中,控制永磁同步曳引电机的起动、运行,在电路断电时可将电机三相电进行短接(封星),防止电梯轿厢溜车,产品还具有输出封星检测信号,用以判断接触器是否实现封星功能的作用。 封星接触器具有交流或直流控制,在工作时噪音低、功耗低、封星时有检测信号输出等特点,可用于电梯控制系统及各种民用设备,是电梯行业的首选产品。 QNC(QNFX)系列一体封星接触器适用于梯速2.5m/s以下(含2.5m/s),曳引机功率在5.5~30KW之间的电梯主回路系统中。 产品设计符合标准:IEC/EN60947-4-1,GB/T 14048.1,GB/T 14048.4。 二、型号含义
三、产品特点■性能特点 ▲产品控制方式有:交流控制和直流控制; ▲产品具有防替换功能; 通过加装脉冲模块,给主板发送脉冲信号,可有效识别该接触器是否在封星状态;发送不同值的脉冲信号可识别该封星接触器为多大电流规格,防止将该规格接触器被更换为其它规格封星接触器; ■磁系统特点 ▲本产品电磁系统为磁保持结构设计,线圈控制为节能型,由线路板控制,当接触器吸合后线圈维持功耗≤3W; 在线圈断电后通过电子线路延时后线圈再断电,这个延时时间可根据电梯企业的实际需求进行设置,常开常闭触头转换时间的设置,有效保证了常开触头断开后常闭触头再封星的特性; ■结构特点 ▲动作机构为直动式,触头为双断点; ▲产品为立体式布局结构,有组合功能,顶部可加装辅助触头组及空气延时头; ▲具有安装定位防呆设计,避免接触器反向安装的风险; ▲端盖与壳体只能单向装配,防止端盖反装; ▲上壳体与下底座只能单向装配,防止触头系统反装; ▲螺钉安装时底座防呆,底座上方有两个安装孔,下方有一个安装孔,防止整机反装。 四、工作条件和安装条件■正常工作条件 ▲周围空气温度-25℃~+60℃; ▲环境湿度:相对湿度为最大85%; ▲安装地点的海拔不超过3000m; ▲接触器安装地点的污染等级为3级; ■安装条件 ▲接触器的安装类别为Ⅲ类; ▲接触器的安装面与垂直面的倾斜度不大于±5°; ▲接触器可在35mm卡轨上或螺钉安装; ■接线螺钉施加扭力矩。
五、接触器产品规格■本系列产品按电流等级分为两个机型; QNC(QNFX)-18、25、32为一个机型; QNC(QNFX)-40、50、65、75为一个机型; ■线圈控制电压:AC/DC:24V、48V、110V、220V; ■触头数量:主触头三常开、辅助触头二开二闭(3P+2NO+2NC); 主触头三常开、辅助触头三开一闭(3P+3NO+1NC)。 六、主要技术参数
七、脉冲模块与电梯控制系统对接说明 ■脉冲模块说明 一体封星接触器内置脉冲模块,接触器不同电流等级对应不同的脉宽和周期,用来区分不同电流等级的产品。一体封星接触器定期输出PWM脉冲信号,用于电梯控制系统对该信号的识别,判断对应的一体封星接触器的在机状态,如电梯控制系统在控制输出之后检测不到对应的脉冲信号或者累计多次接收到错误信号(与产品规格不一致的脉宽和周期信号),则电梯控制系统发出电梯停止运行的指令,且使轿厢停至平层位置。 脉冲模块输出为有源信号,初次上电后,立即输出一组20个周波信号,用于电梯控制系统判断对应的一体封星接触器的在机状态,后续每隔1小时,脉冲模模块输出一组20个周波的信号。该脉冲模块,必须由电梯控制系统接入DC24V+电源端,这样系统才能可靠检测到PWM脉冲信号。 ■脉冲模块端口接线标识
■封星信号与电梯系统对接说明 电梯控制系统预留一个输入点,定期(自行确定次数)接收一体封星接触器发出的PWM脉冲信号;电梯控制系统定期12小时内检测一次脉冲信号,每次检测时间持续1小时以上。累计24小时检测不到对应的脉冲信号或者累计至少2次接收到错误信号(与产品规格不一致的脉宽和周期信号),电梯报故障,故障之后停梯,且轿厢停至平层位置。电梯控制系统需确保该检测功能在电梯正常运行期间始终处于开启状态,不会被认为关闭或取消。 电梯控制系统与脉冲模块的接线图如图所示:
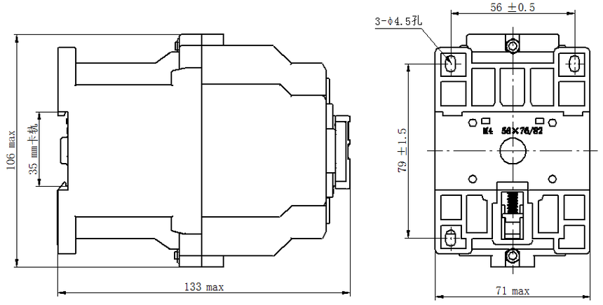
八、外形及安装尺寸
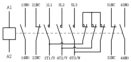
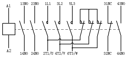
九、接线图
十、订货须知 ■接触器的全称、型号、控制线圈的电压及类别以及订货数量; 例如:QNC(QNFX)-2522 AC220V 50Hz,20台; 表示为额定电流25A的封星接触器,主触头为三常开+三常闭,辅助触头为二常开+二常闭触头,线圈控制电压为交流220V,频率50Hz,订货数量为20台; ■特殊控制电压规格产品,如用户需要可特殊订货。 |
|||||||||||||||||||||||||||||||||||||||||||||||||||||||||||||||||||||||||||||||||||||||||||||||||||||||||||||||||||||||||||||||||||||||||||||||||||||||||





