|
QNZ2-400HV(B)微功耗高压直流接触器(可带辅助触头)额定负载电压(VDC):1500 额定负载电流(A):400 额定绝缘电压(VDC): 1500 线圈控制电压(V):DC12/24 线圈工作能耗(W):0.24~0.48 电寿命(次): DC450V:1×104、DC1000V:1000 机械寿命(次): 20×104 触头形式: 常开或者常闭(HB为常闭型) 辅助触头: 可选(10/01)
一、用途 QNZ2-HV系列微功耗高压直流接触器适用于DC-1负载的工作电压1500V及以下电路中,主要用于电动汽车、储能、电池包、高压电控箱、充电桩、光伏、电动船等直流高压行业。 产品符合标准:IEC/EN 60947-4-1,GB/T 14048.4。 产品通过认证:CCC、RoHS。 二、型号及含义
三、产品特点 ▲超低功耗技术的线圈,具有高效节能和防浪涌功能,线圈本体不发热; ▲触头无极性,能够实现1500VDC带载通断功能; ▲防电弧外泄气密构造,灭弧室内充惰性气体,高安全性; ▲稀土强磁灭弧,电寿命长,抗熔焊性能强,安全可靠; ▲抗冲击振动性能强,触头压力大,银合金触头,接触可靠,触头温升低,过载性能强; ▲密封结构设计,防护等级IP67,防尘防水性能强; ▲高绝缘性能,工频耐压3500V; 四、工作条件和安装条件 ▲环境温度:-40~+85℃; ▲环境湿度:相对湿度为最大85%。 ▲安装地点海拔高度超过2000米时,每升高1000米降容5%使用,最高不超过5000米; ▲固定处的正弦扫频振动频率:10~500Hz(频率10Hz~50Hz、振幅2.5mm,50Hz~200Hz、振幅0.16mm,200Hz~500Hz、加速度50m/s^2); ▲冲击加速度:500m/s^2,正弦半波脉冲:11ms; ▲污染等级:污染等级3; ▲安装方向:水平或垂直; ▲安装方式:螺钉安装; ▲适用工作制:不间断工作制、断续周期工作制。 五、技术参数 本系列产品符合标准:IEC/EN 60947-4-1,GB/T 14048.4。
QNZ2-HV过载电流与时间曲线:
六、外形尺寸与安装尺寸(常开机型与常闭机型尺寸一样)
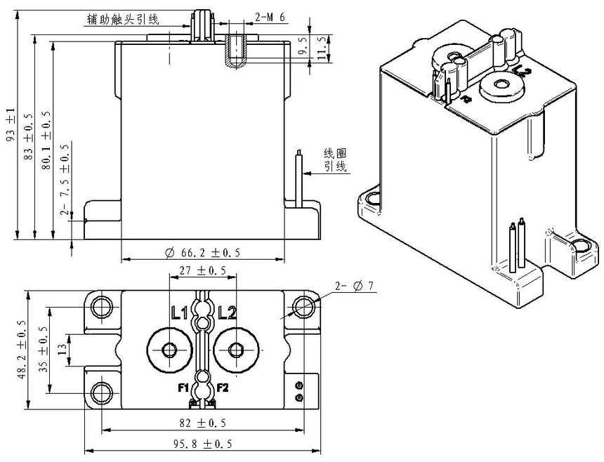
QNZ2-400HV(引线)外形尺寸与安装尺寸
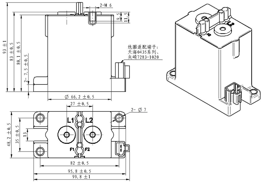
QNZ2-400HV(端子)外形尺寸与安装尺寸
QNZ2-400H10V,QNZ2-400H01V(引线)外形尺寸与安装尺寸
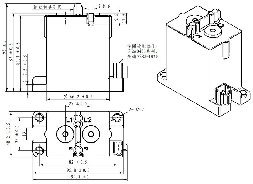
QNZ2-400H10V,QNZ2-400H01V(端子)外形尺寸与安装尺寸 七、接线图 QNZ2-40HV/50HV/60HV机型:
其它机型:
QNZ2-HV QNZ2-H10V QNZ2-H01V
QNZ2-HVB QNZ2-H10VB QNZ2-H01VB 八、订货须知 订货时需注明: n 接触器的型号及名称 n 线圈电压 n 订购数量 n 特殊要求
例如:QNZ2-400H10 DC24V V 100台 100台高压直流接触器,V机型,主触点一常开,电流400A,带一常开辅助触头,线圈电压DC24V。 QNZ2-400H DC24V VB 100台 100台高压直流接触器,V机型,主触点一常闭,电流400A,线圈电压DC24V。 九、使用注意事项 ◆ 主电路无极性;产品线圈有极性(QNZ2-40HV除外)。 ◆ 节能线圈在工作初始具有较大的启动电流,持续时间根据产品本身特性不同在100~120ms之间,因此,接触器的驱动功率必须大于产品线圈功率,且动作频率不得高于额定值,否则会影响直流接触器的正常启动,甚至烧毁节能模块而导致接触器无法工作。 ◆ 产品内置线圈节能模块,无需增加PWM等节能模块;如继续采用PWM脉冲信号输出控制接触器的线圈,需务必将PWM的输出电压调到100%,否则会影响我司接触器的可靠工作;建议采用阶跃式供电模式。 ◆ 当在电源引出端使用超过1个连接线时,确保主要的电源线最贴近接触器的主电路连接处,小电流的连接线在最上面,然后是垫圈、弹垫、螺母。不正确的连接顺序或虚接可能造成严重的过热,并导致连接电缆的绝缘层融化。
◆ 接触器使用的螺钉、螺栓扭力矩请控制在下述的规定范围内(见下表)。
◆ 主触头导线或铜排截面积(见下表)。
◆ 主触头配用螺钉螺母规格: ●推荐QNZ2-40HV/50HV/60HV所有机型用:GBT 9074.13-M4X8十字组合螺栓,匹配铜排厚度1mm~2mm。 ●推荐QNZ2-100HV/150HV/200HV/250HV/300HV所有机型用:GBT 9074.13-M6X12十字组合螺栓,匹配铜排厚度2mm~3mm。 ●推荐QNZ2-350HV/400HV所有机型用:GBT 9074.13-M6X12十字组合螺栓,匹配铜排厚度2mm~4mm。 ◆ 线圈引出形式: ●QNZ2-40HV/50HV/60HV所有机型用:UL1332 22#黑线,默认长度400mm。 ●QNZ2-100HV/150HV/200HV/250HV/300HV(引线)所有机型用:UL3321 22# 红黑线,默认长度400mm。 ●QNZ2-100HV/150HV/200HV/250HV/300HV(端子)所有机型用:线圈适配端子:天海0435系列、矢崎7283-1020。 ●QNZ2-350HV/400HV(引线)所有机型用:UL3321 22# 红黑线,默认长度400mm。 ●QNZ2-350HV/400HV(端子)所有机型用:线圈适配端子:天海0435系列、矢崎7283-1020。 ◆ 辅助触头引出形式: ●QNZ2-40HV/50HV/60HV所有机型用:无辅助触头。 ●QNZ2-100HV/150HV/200HV/250HV/300HV所有机型用:UL1332 22# 黑线,默认长度400mm。 ●QNZ2-350HV/400HV所有机型用:UL1332 22# 黑线,默认长度400mm。 ◆ 禁止产品安装锁紧螺钉后强力掰动导线或铜排,防止对接触器造成伤害,影响其正常使用! |
|||||||||||||||||||||||||||||||||||||||||||||||||||||||||||||||||||||||||||||||||||||||||||||||||||||||||||||||||||||||||||||||||||||||||||||||||||||||||||||||||||||














